Hello all,
I have an old RisingHF RHF0M301 and use it for my old Pi3B+.
I installed the latest ChirpStack Gateway OS here
https://www.chirpstack.io/docs/chirpstack-gateway-os/install/raspberry-pi.html
However, it loops at the error “user.info chirpstack-concentratord-sx1301[2443]: Configuring reset pin, dev: /dev/gpiochip0, pin: 7”
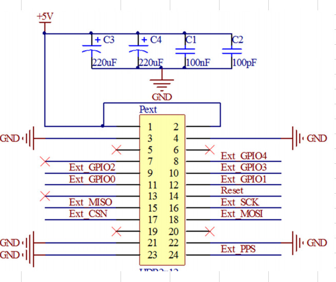
I thought the middle board on the left not connect to pin 7.
So I wire manually the RESET Pin of the RisingHF RHF0M301 to Pin 7 (GPIO4) of the Pi3B+.
The pinout of RisingHF RHF0M301 is at https://wiki.risinghf.com/en/01/01/03/03/#pin-description
The pinout of Pi3B+ for quick reference.
The problem is still same.
Please kindly to help me.



